Ultima actualizacion jueves, 13 noviembre 2025                                                                                                                                       

Principal
Curiosidades
Enlaces
Historia
Mecanica
Mercasimca
Noticias
Los Foreros
Preparaciones
Restauraciones
Otros coches
Tus Trucos

Canal YouTube

Foros

Videos

 

 

Bienvenidos, Sección: Mecánica Resolución ideal 1024x768

 

 Uso de este sitio:

La información aquí expuesta es solo orientativa y puede estar incompleta, por eso no pretende ser un manual técnico ni profesional de ninguna forma o manera. Cualquier reparación, modificación o cambio que se haga sobre el vehiculo debe de estar hecho o supervisado siempre por profesionales titulados o talleres autorizados.

En Simca 1000.com no nos hacemos responsables de cualquier daño tanto propio como a terceros o a las cosas, producidos por causa de la aceptación como manual técnico del contenido de esta Web simca1000.com no es un manual técnico. El usuario es libre de aceptar los consejos de esta web pero es solo y exclusivamente bajo su responsabilidad, y sabiendo por esta nota y otras encontradas a lo largo de la pagina que todo debe se supervisado por profesionales autorizados

Bajar

En está pagina dispondremos de algunos manuales y esquemas  referentes a este coche. Hay que tener en cuenta que existieron una gran variedad de modelos, tan extensa que es posible que el manual o esquema no se ajuste exactamente al de tu Simca 1000.

Si tenéis alguna duda sobre estos temas preguntar en los foros haré lo posible por responder o buscar solución:

MOTOR SIMCA 900 EN AUTOESCUELA SAN JOSÉ EN BARAKALDO (BIZKAIA)

 

 

TENÉIS EL CANAL DE YOUTUBE EN EL QUE TENÉIS INFORMACIÓN DE OTROS COCHES ADEMÁS DE LOS SIMCA 1000 ES IMPORTANTE QUE OS SUSCRIBÁIS <<<HACER CLICK

EN ESTE MENSAJE

 


Índice

  1. Aceites y filtros

  2. Alternador

  3. Avance del encendido

  4. Bomba de agua

  5. Bomba de aceite

  6. Bomba de gasolina

  7. Bobina y distribuidor

  8. Bombines frenos traseros (sustitución)

  9. Bujías

  10. Caja de cambios

  11. Cambio de retenes pinzas de freno

  12. Características generales GL,GLE,LS.GLS

  13. Carburadores (fichas)

  14. cojinetes delanteros

  15. Cojinetes traseros

  16. Cuadro de mandos simca moderno

  17. Diferencial

  18. Dinamo

  19. Distribución

  20. Dirección

  21. Distribuidor encendido

  22. Datos sobre los frenos

  23. Embrague

  24. Encendido: Puesta a punto

  25. Encendido Electrónico con platinos

  26. Encendido electrónico talbot

  27. Ficha técnica original

  28. Formulas para hacer el calculo de cilindrada

  29. Frenos

  30. Fusibles (tipos)

  31. Identificación Nº Bastidor

  32. Instalacion de un sensor de temperatura

  33. Instalación de un Relé universal de cinco patas

  34. Manuales

  35. Motor

  36. Motor de arranque

  37. Neumáticos

  38. Orden y par de apriete de la culata

  39. Plan de mantenimiento

  40. Plano eléctrico

  41. Radares

  42. Reglaje de balancines

  43. Referencias bombines y bombas de embrague StopIberica

  44. Referencias bombas y bombines TEASA

  45. Referencias pinturas

  46. Relación Nº bastidor Rallyes franceses

  47. Repaso motor de arranque

  48. Retenes cigueñal

  49. Rotulas

  50. Simca Abarth

  51. Suspensiones

  52. Transmisión

  53. Trucaje

  54. Verificación rotulas y manguetas

  55. Videos

Fotos:

  1. Oscar

En esta pagina encontrareis algunos carteles de advertencia, por favor es importante hacerles caso, tened en cuenta que nuestros coches se crearon antes de que se supiera lo peligrosos que son algunos productos empleados en su fabricación es obligatorio el uso de mascarilla homologada para el manejo de estos productos:

 


 

SIMCA1000 BARREIROS 315

MANUAL MECÁNICA COMPLETO 94Mgb

MANUAL DEL PROPIETARIO SIMCA 1000 Y 900

MANUAL DEL PROPIETARIO SIMCA RALLYE 1 Y 2

 

DESCARGA ESTE CATALOGO CON UN CLICK EN LA FOTO

 

 

 

Despiece completo con precios de la época en PDF

Gentileza de nuestro amigo Daniel

 


Os voy a remitir a 1000PASSION una estupenda pagina francesa en la cual podéis encontrar la correspondencia de las referencias de algunas piezas que podáis necesitar es muy interesante.

PAGINA PRINCIPAL

PIEZAS


Identificación:

Antes de 1968 Tenían grabado el Nº de Bastidor en el travesaño anterior del compartimiento del motor, justo encima del piloto trasero derecho después del 68 y hasta el 76 en la ficha central, en una placa soldada debajo del capó en el lado izquierdo, a partir de finales del 76 hasta el cese de la producción lo grabaron en el paso de rueda delantero derecho.

 

Nº Bastidor 1ª Series

Nº Bastidor 2ª Series

Nº Bastidor 3ª Series


Ficha técnica original

Gracias a José Luís


Mandos


Modelos Simca 1000 GL,GLE,LS,GLS:

 

SIMCA 1000 BARREIROS MOTOR 315

Algunos pares de apriete del motor 315

 

 

 

 

 

CARROCERÍA

Batalla: 2,22 metros.

Vías: 1,25 / 1,28 metros (delante / detrás).
Longitud: 3,80 metros.

Anchura: 1,48 metros.

Altura: 1,40 metros.

Peso en vacío y en orden de marcha:  900:765 Kg.1000:785kg Rallye 810kg

 

BASTIDOR

 

Suspensión delantera de ruedas independientes, con triángulos superiores, ballestón transversal inferior, amortiguadores hidráulicos y barra estabilizadora.

Suspensión trasera de ruedas independientes, con trapecios oblicuos, muelles helicoidales y amortiguadores hidráulicos.

Frenos de disco / tambor / tambor7tambor../disco /disco Sin asistencia

Tipo de circuito: Sencillo./doble circuito apartir del 76
Repartidor: No.

Dirección  Tornillo sin fin/ cremallera a partir del 68.

Diámetro de giro: 9,2 metros.

Vueltas de volante: 3,3.

Llantas de 4,5 x 13 pulgadas.

Neumáticos: Diagonales 5.60x12/ Radiales 145 x 13.

Depósito de combustible: 36 litros.

Generador: Dinamo de 260 vatios.(alternador a partir del 76.)

Batería : 40 ah

TRANSMISIÓN

Embrague: Monodisco de diafragma, con mando hidráulico

Cambio de cuatro velocidades de avance, sincronizadas  y marcha a tras

Relaciones intermedias:

Primera, 3,546 : 1

Segunda, 2,118 : 1

Tercera, 1,409 : 1

Cuarta, 0,963 : 1

Diferencial: Reducción del grupo cónico hipoide: 4,375 : 1.

Desarrollo final de la transmisión: 24,5 Km./h.  
a 1.000 r. p. m. en cuarta.

(Depende del modelo)

Tracción:  Trasera

MOTOR

 

Peso aprox. con accesorios 105 Kg

Posición: Posterior longitudinal.

Número cilindros: Cuatro en línea.

Capacidad del carter: 3 Litros

 

Cilindradas: 844/944 /1118/1204/1294c.c.

 

Diámetro / carrera:

Modelo 900: 844cc 68X58,1mm

Modelo 1000: 944cc 68 / 65 m.m (349)

Special, GT: 1204cc 74X70mm (353)

Modelo: Rallye: 1294cc 76,7X70mm (353) Francés:(371) (1 G 1) (1 G 4)

Modelo frances Rallye:  1118cc 74X65mm (351)

Simca 1200 TI 1442cc 76.7X78mm (No montado en el Simca 1000)

 

Juego de pistones a76,74.2

 

 

 

 

 

Compresión: 9,4 : 1.

Carburador: Vertical monocuerpo de 32/Vertical doble/Horizontal doble/Horizontal dos dobles Solex 38
Árbol de levas: Lateral, en el bloque.

 

Datos árbol de levas:

Elevación de las levas Simca 1000 Admisión:5.72mm Escape: 5.416mm (en el Rallye 2 y 3 la elevación es común

en las dos válvulas y entre 0.60 y 0.80 superior a los otros simcas)

 

Diámetro de la muñequilla del árbol de levas:

Los diámetros del árbol son comunes en todos los Simca tanto 1000 como 1200

Lado volante: 35.439 a 35.459

Lado central: 40.939 a 49.959

Lado distribución: 41.439 a 41.459

 

Diámetro de alojamiento del bloque para los casquillos del arbol de levas:

Lado volante: 38.495 a 38.525

Lado central: 43.995 a 44.025

Lado distribución: 44.495 a 44.525

 

Diámetro interior de los casquillos del árbol de levas:

Lado volante: 35.484 a 35.520

Lado central: 40.984 a 41.020

Lado distribución: 41.484 a 41.520

 

 

Situación válvulas: En cabeza, paralelas,2 por cilindro.

Potencia: 900:38Cv /1000:42 Cv /Special y GT 59Cv/ Rallye 63Cv. DIN a 5.600 r p m.

Par motor máximo: 6,7 mkg. DIN a 3.300 r p m.

Refrigeración: Por liquido. Arrastre ventilador: Correa trapezoidal.

Circuito hermético:  No. / Opcional/según modelo

Mantenimiento

PRESTACIONES

 

Velocidad máxima:  121/150/170/180 Km./h Según versión

Aceleración:     400 m:  23,3 sg     1000 m: 44,3 sg (También según versión)

Consumo medio:  carretera  8,5 l/100 Km.

Carburante:   Súper/Extra 98 oc./Según modelo 90oc

 

Bloque 349

Motor 1204: pulsar foto para album

 

Prueba del motor recién montado:

 

 

Motor de 1300cc

Retenes cigueñal

Lado de montaje lado caja de cambios
Espesor [mm] 8.00
Material MVQ (caucho silicona)
Diámetro interior [mm] 71.00
Diámetro exterior [mm] 88.00
Tipo de retén radial 827N LD W
Sentido de giro Sentido de giro a la derecha

Enlace reten caja giro neutro
(llamar)



Lado de montaje polea motor
Espesor [mm] 8.00
Material ACM (caucho poliacrílico)
Diámetro interior [mm] 40.00
Diámetro exterior [mm] 58.00
Tipo de retén radial 827N LD
Sentido de giro Sentido de giro a la izquierda (antihorario)
 

Enlace Retenen polea


 

Sección caja de cambios

MOTOR SIMCA 900 EN AUTOESCUELA SAN JOSE EN BARAKALDO (BIZKAIA)

Foto mandada por Xabi

De cuatro velocidades hacia adelante, todas sincronizadas, y una de marcha atrás.

Mando de palanca dispuesto sobre el piso.

Capacidad de aceite del tipo Valvulina SAE 80/90 de 1,8 litros

Relación de desmultiplicación :

-Primera —Segunda —Tercera -Cuarta -Marcha atrás

0.282 a 1 0.472 a 1 0.710 a 1 1.038 a 1 0.291 a 1

Selector:

Imagen en alta resolución, pulsar:

Limpieza a fondo 2014

 

 

 

 

 

 

 

Taladro efectuado para destrabar la bola/muelle del eje, (no mover nunca con la mano mas allá de su limite)

Selectora:

 

 

De talle de la solución para evitar que el pasador

 se caiga dentro de la caja." Alambrado de seguridad" o "wire locking"

Muy utilizado en aviación y otras tecnologías actuales

"a

Selector marcha atras:

La medida de este reten es:14-22-4 enlace para pedirlo

De 1.8 a 2.6  de par de apriete para esta tapa

Aquí dentro lleva reten y torica la medida del reten es: 20-32-7 enlace para pedirlo

Imagen en alta resolución, pulsar:

Los sincros nos ayudan a engranar sin rascar las marchas

Desmontando el cambio:

De dos cajas rotas montaremos una

 Engranajes juntos, falta el de la 1ª velocidad

Sospechosamente parecidas pero no iguales Seat 850 vs Simca 1000

************

A causa de perder las punteras el aro desplazable la 1ª velocidad no engranaba. Básicamente chocaban unos dientes planos contra los otros de punta del engrnaje:

O lo cambias o lo arreglas como puedes:

Al final quedó asi, ahora funciona, aunque no va perfecto por lo menos se puede meter la primera.

 

Toma del cable velocímetro:

Mas fotos en alta resolución aquí pulsar foto:

 

Relación del grupo diferencial

Situado dentro de la carcasa de la caja de cambios. Par de reducción con engranajes cilíndricos de dientes helicoidales.

 

 

  1. Simca 900:................................................9X43

  2. Simca 1000 y 1000 automático:.....................8X35

  3. Simca 1000 GT Rallye y Especial:...................9X37

  4. Rallye 2 francés:.........................................9X37

  5.  Después de 1973:......................................9X35

  6. Simca 1000 Rallye 3 original:.........................9X31

  7. Otros montajes Rallye 3:...............................9X37

  8. ................................................................9X38

  9. ................................................................8X35

  10. Simca 1200 S:.............................................9X35

Piñon de ataque

 

 

 

 

 

 

 

 

 

 

 

 

 

 

 

  

 

Montaje piñon de ataque con coginete:

 

 

 

Rotura 2003

 

A veces la caja también se rompe:

 

 

 Se rompió en el 2003 y se a reconstruido en el 2010

Finalmente la valvulina que os aconsejo es una SAE 75/90 Sintética o si queréis aseguraros un funcionamiento Extra en condiciones de trabajo duras podéis poner Valvulina Azul esta valvulina os garantiza que los engranajes están siempre impregnados puesto que esta producto tiene la propiedad de pegarse literalmente a los piñones y aunque el coche este largos periodos parado los engranajes están siempre recubiertos por una película de esta estupenda Valvulina. Decir que esta especialmente diseñada para cajas de cambio antiguas ósea para nuestros coches y mas antiguos. No es recomendable para vehículos modernos, su textura es mas espesa y requiere engranajes grandes como los nuestros, también requiere coger cierta temperatura para su optimo funcionamiento siendo este mejor y mas protector que las Valvulinas convencionales.

Si tienes el motor engordado es casi obligado utilizar este producto para proteger el cambio de la potencia de nuestro nuevo motor. el precio es de 20€ el litro (lo bueno se paga)

Para la adquisición de este producto o reparación de vuestra caja poneros en contacto con:


Embrague:

De diafragma de 160mm de diámetro con apoyo para cojinete modelos del 73

Referencia Fraymon:16012 0

En los modelos Especial, Rallye, GT, las prensas y discos son de 180mm habiéndolas con

el apoyo para el cojinete hasta el 73/74 y sin el en los últimos modelos.

Dos tipos de primario diferentes: Barreiros 21 dientes y mas corto, A partir del 68 mas largo mas delgado en la punta y 21 las cajas se pueden intercambiar siempre y cuando se ponga el primario adecuado, las cajas admiten los dos, el anclaje interior es igual tanteo en Barreiros como en Simcas posteriores

 

 

Esta de abajo os puede servir pero tenéis que mirarlo bien además los flejes están del revés tendríais que llevarlo a la rectificadora a que los cambiaran de sentido ( no hay problema, te lo hacen)

Coginete de embrague o collarin:

https://www.oscaro.es/cojinete-de-desembrague-valeo-079053-179065-48-p#/?vid=12879

Transmisión

Efectuada a las ruedas traseras me­diante dos semi-ejes portando cada uno en el lado del diferencial una articulación montada sobre dados que se alojan en los planetarios. La unión al eje de las ruedas se realiza a través de unos flectores elásticos para amortiguar los esfuer­zos de torsión.

Cambio automático

 

Grupo motor: Sobre la parte superior de la caja de velocidades el convertidor hidráulico de Ferodo

El motor térmico de combustión interna (ciclo Otto o Diese¡) está en desventaja en relación con otro tipo de plantas motrices en lo referente a curva de par motor,

Una turbina de gas o de vapor o un motor eléctrico pueden entregar su máximo par de giro pre­cisamente a velocidad nula, y su margen de utili­zación es muy amplio. Pueden acoplarse a un ve­hículo con una simple reducción fija y cubrir con facilidad desde la velocidad nula hasta la máxima. Un motor térmico alternativo no puede hacer esto. Por una parte, tiene un límite de velocidad de giro impuesto por la seguridad de sus órganos mecáni­cos, y por otra, no puede entregar un suficiente par motriz hasta que ha alcanzado un régimen de giro que, en el mejor de los casos, sea la cuarta o quinta parte de su tope máximo; y no se trata del par máximo, sino simplemente del suficiente para evitar que el motor se «cale» o se le amontone el trabajo,

Es preciso entonces disponer de una variación en la reducción entre motor y ruedas para poder acoplarse a las diversas condiciones de velocidad y resistencia (aceleraciones o subidas). Lo clásico es la transmisión mecánica de varias marchas mediante trenes de piñones.

 

Pero es preciso actuarles mecánicamente, simultáneamente a una función de desconexión del motor, que es desembragarlo. Se trata, pues, de una doble maniobra, habitualmente conjugada por una mano y un pie. Y esto supone, al menos para muchos automovilistas, un engorro y una dificultad, sobre todo en el período de apren­dizaje. En España acababa de aparecer el primer turismo de fabricación nacional con una transmisión de este tipo: el Simca 1000 automático.

 

Curiosidades y modificaciones del cambio Simca 1000

1- La caja de cambios del Simca 1000 pese a ser básicamente la misma existen con hasta 5 tipos de campana. Las primeras versiones montaban este modelo:

 2-Se aprovecho la forma de este modelo (con algunos refuerzos) para montar el enfriador del hidráulico para el convertidor de par de la caja automática.

Una rareza caja de cambios de 5 velocidades

3-El siguiente modelo se monto aproximadamente a partir del año 67

Montaje de una campana mas moderna en Simca que llevaba una campana como la de arriba (de 4 tronillos a 6:

 

 

 

4-Casi terminando, en la siguiente modificación se le añadieron dos tornillos mas (marcados en amarillo) con lo que la sujeción al motor constaba ya con un total de 6.

5-(foto de abajo) Modelo anterior de 6 tornillos

 

La de la foto de arriba (Nº5) es de las ultimas pero como sufría de roturas en la zona del motor de arranque  se modificó. Modelo (Foto Nº4 y abajo) se sobredimensiono el grueso y se le aumentaron los tres nervios al tornillo central en la foto de abajo se aprecian estos nervios,mas aumentados.

Foto de un aficionado Francés Mike 50 gracias


Despues de la caja de cambios llegan los palieres, que son de dos tipos o tres si contamos con los del Rallye 3

 

Palieres del simca 900 o primeras series, no lleva cruceta,el tramo final es fijo

Palieres Simca 1000 hasta ultimas series

 

Tengo que confirmarlo pero creo que los del Rallye 3 son mas gruesos teniendo el estriado final de la misma medida que el Simca 900 ósea mas grueso también.

 

Un mantenimiento: limpieza, engrase y comprobación de los fuelles de goma nos evitara algún disgusto en este elemento.

En el caso de avería irreversible siempre podemos reparar el palier

Clikar foto


Bomba de aceite

  1. Tipo de bomba: de engranajes

  2. Accionamiento de la bomba: Mandada por árbol de levas

  3. Presión de tarado de la bomba de descarga a 3000 Rpm. y motor caliente a 80º  4 a 6 Kg. / cm2.

  4. Nº piñones de la bomba : 2

  5. Nº de dientes de cada piñón: 8

  6. Diámetro del piñón: 18,72 mm.

  7. Capacidad del filtro de aceite:0,3 litros

  8. Máxima capacidad de filtrado de 14 a 15 litros por minuto

Nota: el soporte del filtro de aceite lleva incorporada una válvula de segundad tarada a 1Kg./Cm2. Que mantendrá una circulación de aceite en el caso que el filtro se obstruya.

 

 Catalogo manocontatos aceite en PDF


Algunos reglajes de interés

Orden y par de apriete culata

Par de apriete: En el primer apriete le daremos 4 m/kg en el segundo y ultimo con 6.5 m/ Kg. Siempre con Motor frió

Reglaje de Balancines

En frio:

Admisión:0.30

Escape:0.35

MOTOR SIMCA 900 EN AUTOESCUELA SAN JOSE EN BARAKALDO (BIZKAIA)

Fotos mandada por Xabi

Montaje de chavetas en valvulas:

 

Montaje tapones bloque de motor, pulsar para video

Las cagadas de las rectificadoras:

Procurar montar vosotros mismos los motores después de rectificar, de este modo evitaremos que nos de el motor lleno de ferricha (virutas metálicas) en los conductos del aceite y otros lugares. En este caso fue un mal montaje de los cojinetes del cigüeñal.

Una buena limpieza y comprobación de todo el material os evitar disgustos: Click en los enlaces

LIMPIEZA CIGUEÑAL

LIMPIEZA BLOQUE


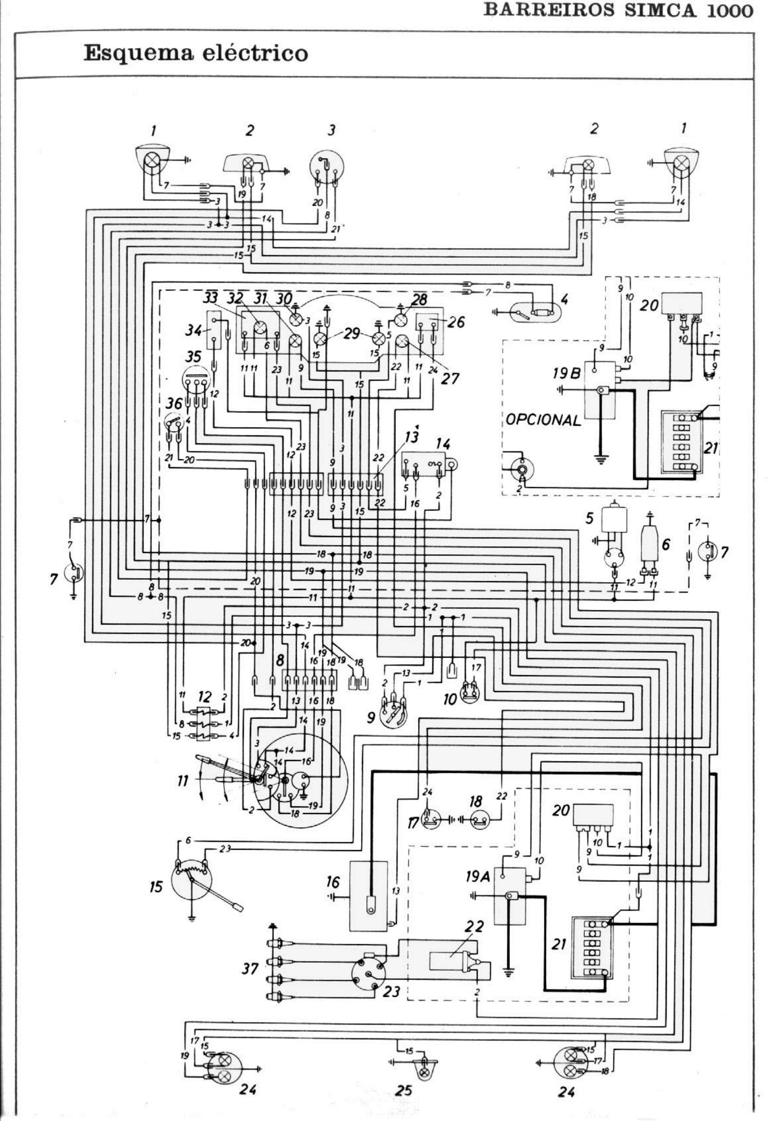
Plano eléctrico


Batería

Tensión ; 12 voltios -Capacidad : 36 a 40 A/H

Bujías

• La BUJÍA es un elemento importante
del motor ya que, en el instante de la
explosión soporta unos 1.000ºC. Un
Grado Térmico inadecuado hace que el
motor gaste hasta 2 Cent. más de
Gasolina cada Km., contamina el Medio
Ambiente y, el Tubo de Escape, se
corroe.
• Las Bujías se fabrican con UNO, DOS,
TRES ó CUATRO electrodos, no
existiendo diferencias en cuanto a su
funcionamiento termodinámico. Sin
embargo existen diferencias de
conductividad si los electrodos son de
Cobre; Níquel; Platino o Plata. Y según
sea el material de los electrodos, el
precio de las Bujías será distinto

 

En el Simca 1000 es muy importante usar las bujías que le corresponden por que sino tendremos problemas de arranque o paradas del motor en frió de difícil solución, a parte de un rendimiento mucho mas bajo. Lo digo por propia experiencia

 ¿El grado térmico es el correcto? El grado térmico de una bujía es un índice de la capacidad que tiene la bujía para eliminar calor de sus electrodos y, más o menos, podemos pensar de la siguiente forma: una bujía "caliente" elimina calor más lentamente que una bujía "fría". En general, nos interesa que los electrodos estén lo más caliente posible sin llegar a representar un riesgo mecánico (por fusión del aluminio con que está construido el pistón, o resquebrajamiento del material cerámico que forma el aislante de la bujía); cuanto más calientes están los electrodos, menos se ensucian. Los electrodos de una bujía "fría", a pocas rpm, no llegan a alcanzar la temperatura suficiente y, por tanto, se ensucian rápidamente, dificultando el salto de la chispa y, en un caso extremo, comunicando la bujía (la corriente prefiere pasar de un electrodo a otro a través de la "suciedad" que saltar entre ellos)

Contra mas bajo es el numero de la bujia esta será mas caliente por contra si s mas alto será mas fría

La separación de los electrodos varia según la bujía pero oscila entre 0.55 y 0.65

SIMCA 900 : Fírestone F 27 N —Champion N 4 o 6 -Bosch W175T2 -Marchal 34 HS

SIMCA 900 S : Bosch W160T2 —Champion N 5 Y o 6

SIMCA 1.000 LS : -Fírestone F 23 N —Champion N 7 Y  C

SIMCA 1.000 GLS: -Fírestone F 27 N -Champion N 4 -Champion N 7 Y C-Bosch W 175 T2 -Marchal 34 HS

SIMCA 1000 ESPECIAL: Fírestone F 30 LP -Bosch W 200 T 30  o W7CD NGK BP6 o BP6ES -Champion N 9 Y

SIMCA RALLYE: Fírestone F 30 LP -Bosch W 200 T 30 o W7CD -NGK BP6 o BP6ES-Champion N 9 Y

 

 

BP 5 ES Tipo caliente    - BP 6 ES -      BP 7 ES Tipo frio 

Aquí podemos ver la diferencia entre bujías frías y calientes la 5 es caliente, tiene mayor superficie expuesta a la combustión (la parte gris), disipa el calor más despacio. La 6 es intermedia y la 7 fria.

 

 

 

 

Cables de bujías

• El paso de elevada intensidad de la bobina a la
bujía necesita cables con buena sección y que
dificulten lo mínimo el paso de esta. Para motores
con mucha potencia, cada detalle suma.

Bobina

Femsa BD 12-10

Femsa BD 12-2

Resistencia de arrollamiento primario :3,10 a 3,40 Ohm.

Resistencia de arrollamiento secundario: 5500 a 7000 Ohm

 

Sistema de encendido del motor de gasolina

 

Distribuidor de encendido según modelos:

 

 

SIMCA 900 y 900 S: - Femsa DF 4-17

SIMCA 1.000 LS : -DF4-17

SIMCA 1.000 GLS. SPECIAL y RALLYE : Femsa DF 4-52-Separación de los contactos; 0-4 a 0.5 m/m

Avance del encendido:

Antes del PMS

SIMCA 900 :.............................................14º  grados

SIMCA 900 S, 1.000 LS y 1.000 GLS:12º  grados

SIMCA SPECIAL, GT  Y  RALLYE :.....13º grados

RALLYE  FRANCÉS:.............................12º grados

RALLYE 1 FRANCÉS:...........................10º grados

RALLYE 2 FRANCÉS:.............................0º grados

 

Subiremos el pistón nº1 arriba ,haremos coincidir la marca de la polea con la marca de la tapa numerada con los grados que le correspondan a nuestro modelo por ej. 12 grados si hemos sacado el delco lo meteremos (sin apretar el tornilla a tope) cuidando que la pipeta apunte hacia el cable de bujía nº1 aproximadamente luego lo ajustaremos mejor, conectaremos un portalámparas o bombilla de 12 voltios a masa en un extremo y al cable que sale del delco a la bobina, pondremos el contacto, ahora giraremos el delco a contrario de las agujas del reloj buscando el encendido de la bombilla, en el momento que esta se encienda justo justo en ese momento apretamos el delco. Ya lo tenemos calado a mano si queremos calarlo en plan profesional, utilizar la pistola estroboscopica pero tened en cuenta que: el reglaje de balancines este perfecto, que la carburación también y el relenti este a las rpm tal como indica el fabricante para realizar esta operación. También que la distribución no tenga desgaste puesto que si no se respetan todos estas variables dará lo mismo hacerlo con la bombilla que con la estroboscopica.

 

 

 

Aquí podemos ver con detalle los puntos numerados en grados donde debemos calar o hacer coincidir la marca de la polea cuando hagamos la puesta apunto o avance inicial:

Puesta a punto encendido por platinos

 

 

Conexion en derivacion:

Bobina y distribuidor (Delco)

 

Bobina actual controlada por contactos Ref.Valeo: 245010

Platinos adaptables para distribuidor (el de la tapa pequeña) Bosch mirad bien vuestra referencia

 

Platinos tapa larga

 

Condensador (mirad bien cual os va bien hay varios modelos)

 

 

 

Tipos de distribuidores montados en los Simca 1000

Este modelo es adaptable a bosch tapa corta

Tapa adaptable a bosch (media sirve para WV escarabajo tambien)

Tapa adaptable a bosch (intermedia)

Adaptable a Femsa (tapa larga)

El condensador y sus averías

El condensador es una pieza muy importante para nuestro Simca aunque los coches modernos son bastante mas complejos, para nuestro Simca esta pequeña pieza es clave para el correcto funcionamiento de su motor, ahora pasare a explicar un poco para que sirve y que pasa cuando se estropea. Esta pequeña pieza va situada en la carcasa del Delco por la parte de fuera, sujeta con un pequeño tornillo de ella sale un cable que esta conectado a la entrada de corriente de los Platinos, su interior consta de unas placas metálicas separadas por hojas aislantes. Todo esto sirve para absorber las chispas que se producen al abrirse y cerrarse los Platinos. Si no fuese por el Condensador estas pequeñas chispas acabarían quemando los platinos rápidamente, por eso siempre que se cambien los Platinos nos aseguraremos de cambiar también el Condensador siempre por uno de iguales características (Microfaradios) que el viejo. Saber que os podéis quedar tirados por culpa de este pequeño elemento.

Esquema de encendido electrónico Talbot 1200,150 son dos paginas pdf

HAZ CLIK EN LA IMAGEN: ESQUEMA COMPLETO EN PDF

 

Modulo moderno en  podéis ver clicando la imagen (consultar si se puede o no montar)

 

 

ENCENDIDO MEDIANTE BOBINA TRANSISTORIZADO

Si lo que buscamos es una optimización en el funcionamiento de nuestro encendido podemos recurrir a los kits que algunas casas de electrónica que tienen para cambiar nuestro encendido tradicional por uno de bobina transistorizado, la mejora en rendimiento, consumo y suavidad es notable. Visitad el enlace:

 

 

Tanto la conexion 1 como la 2 es siempre con platinos:

Comprar esta bobina:

 

COMPRAR RESISTENCIA (no probada)

 

Modulo Conexion 2

 

Sistemas en venta (en estos momentos son escasos)

SE VENDE UN KIT ELECTRONICO PARA PLATINOS SOLO TELEGRAM

Mantenimiento del sistema electrónico o Encendido electrónico por descarga capacitiva y sus ventajas:

Ver  y comparar tipos de encendido pulsar

     

  • Independencia del voltaje de salida con respecto a las revoluciones del motor

     

  • Menor consumo de combustible (aproximadamente 15%)

     

  • Mayor duración de platinos y bujías (aproximadamente 80.000 Km.)

     

  • Mejor arranque en frío

     

  • Menores vibraciones del motor por evitar el rateo y por ello mayor vida útil del mismo

     

  • Mayor potencia del motor (aproximadamente 10% más)

     

  • Independencia de luz de platinos y bujías

     

  • Menor drenaje de corriente de la batería

     

  • Imposibilidad de averiar la bobina al dejar el motor detenido y en contacto

 

Otro equipo, parece que tiene mejor pinta,  de la casa: Sales Kit

Otro fabricante mas austero si cabe:

Instalación de un sensor de temperatura

Instalación de un Relé universal cinco patas

Foto cuadro simca moderno para modificaciones


 

Motor de arranque

Marca:

 FEMSA: MTA 12-5/6

FEMSA MTA 12- 20

RBES: DD 12V 05 Cv

  • Motor de arranque FEMSA

  • Tensión nominal: 12v.

  • Potencia 0,9Cv

  • Rotación vista desde el lado piñón: izquierda

 

  • Motor de arranque RBES

  • Tensión nominal:12Cv.

  • Potencia nominal:0,5Cv

  • Par medido a 1000Rpm:0,5 mkg

  • Intensidad absorbida a par medio:200A.

  • Par de bloqueo:0,9 mkg.

  • Intensidad absorbida a par de bloqueo:300A.

  • Potencia máxima:1,2Cv

  • Intensidad absorbida a potencia máxima:140A.

  • Par a potencia máxima: 0,4mkg

  • Diámetro mínimo del colector:31,2mm..

  • Presión de las escobillas:800 a 900 grs.

Motor de arranque potente 0,9Kw(1.20692cv) ATENCION necesita adaptación puesto que es de otra marca de coche

 

Video motor de arranque adaptado:

 

 

 

Adaptador hecho a mano para acoplarlo al motor

 

 

Adaptador fresado por CNC terminado

 

 

Anti calórico para este motor de arranque:

 

 

 

 

Mantenimiento:

Es importante tenerlo apunto para ello lo desmontaremos y revisaremos las conexiones y aislamientos así como las escobillas y el desgaste del piñón de ataque, lo repararemos si es necesario y lo limpiaremos bien por dentro con un aceite en spray Dieléctrico ojo dándole bien a la zona de las escobillas y poniendo una pizca de grasa en el eje del piñón de ataque veréis como el motor de arranque corre bastante mas que antes.

En este video lo veréis mejor es sencillo y no hace falta sacarlo del coche para hacerlo si no queréis

 

Dinamo

Simca 900-1000:

Marca y tipo:

FEMSA: DNL 12-47:Hasta Abril de 1972

FEMSA: DNO 12-47:Desde Abril 1972

  • Tensión nominal:12v

  • Rotación: a izquierdas

  • Polaridad borne 51:positiva

  • Resistencia de las bobinas inductoras a 20ºC:6+-3 Ohm

  • Diámetro interior expansiones polares: 61,10 a 61,7mm.

  • Presión escobillas:450 a 750 grs

  • Diámetro del colector: 34,5

  • Regulador tipo: GRC 12- y GRC 12-S-2

  • Entre hierro del disyuntor:0,2mm

  • Entre hierro del regulador de tension y limitador de intensidad:0,99 a 1,11

Alternador

Marca y tipo:

 FEMSA:ALD 12-16

RBES:ALD 124H24

Alternador y regulador FEMSA

  • Tensión nominal:12v.

  • Intensidad máxima:31A.

  • Velocidad máxima continua: 12.000rpm

  • Sentido de rotación visto desde la polea: izquierda

  • Diámetro mínimo anillos rodantes:0,05mm

  • Regulador, tipo: GRK 12-2

Alternador y regulador RBES

  • Tensión nominal:12v.

  • Resistencia de las bobinas de excitación:4,25+-0,2 Ohm

  • Intensidad nominal:24A.

  • Sentido de rotación: izquierda

  • Velocidad inicio de carga:1200Rpm

  • Tensión a velocidad de inicio carga:13,5V.

  • Velocidad plena potencia:4000Rpm.

  • Tensión a velocidad plena potencia:13,5

  • Intensidad a velocidad plena potencia:24A.

  • Regulador, tipo: GR 124D21 de 2 etapas

Valeo alternador actual para adaptar reacondicionado con intercambio

 

  • Conexión / terminal/borne: Sin conexión para cuentarrevoluciones
  • Tensión: De 12 a 14,7 V
  • Intensidad de carga: 40 A
  • Sentido de giro: Horario
  • Estado de la pieza: Reacondicionada
  • Tipo de sujeción: Brazo giratorio simple
  • Posición/Grado: R 42
  • Incluido: Rueda libre del alternador
Vendido con:
    • Regulador del alternador
    • Rueda libre del alternador
    • Perfil: A correa poli V
    • Diámetro: 65 mm

 


Tipos de fusibles

Los pocos fusibles que lleva el Simca 1000 o 900 están situados debajo del salpicadero lado del conductor parte izquierda del volante y son de distintos tipos dependiendo del año de fabricación del vehiculo, estos son los modelos:

 

  Fotos:    retro@recambiosretro.com

 


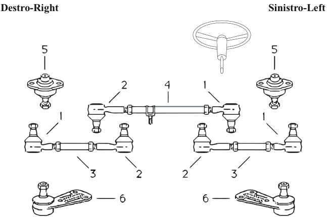
Rotulas de la suspensión y dirección

Estos elementos de la dirección que precisan mucha atención:Fotos de Miguel Torres


Suspensiones

Tren trasero

 


Tren delantero

 

 

 

Angulo de avance: 8º +- 1º

Angulo de caída: 1º,3o´+- 30º

 

Dirección

Convergencia: 3 +- 1 mm.

Explicacion sobre los angulos de las ruedas:

 

 

SIMCA 1000 1962

A partir del año 68 desaparece el motor 315 y con ello también los sistemas de sujeción de la caja y del motor representados en la grafía anterior, pasando a ser silenbloks de goma,


Datos sobre los frenos

Frenos delanteros: de tambor Nº de zapatas 2 por rueda destinas:

Tipo de forro delanteras :Comprimido

Traseras: Sin comprimir

Longitud del forro de la zapatas

delanteras: Total 234 mm / Útil 208 mm

Traseras: Total 182 mm / Útil 156mm

Anchura de los forros de las zapatas:

Delanteras: 40mm

Traseras: 35mm

Espesor de los forros:

 5 mm

Tambor de freno:

Tipo fundición

Diámetro Ext.: 232mm

Diámetro interior:216,2

Superficie total de frenado:

544 cm. Cuadrados

Frenos de disco delanteros

Diámetro del disco: 234 mm

Nº de pistones por bloque: 2 contra puestos

Mínimo espesor admisible de las pastillas: 5,5mm

Carrera libre del pedal: 2 a 10

Para comprar pastillas a buen precio consultar la sección de enlaces

Los frenos  de disco  traseros

son exclusivos de los Simca Rallye 3 y algunos R2 no obstante decir que son muchos aficionados  que los adaptan puesto que son idénticos a los que montaban algunos Seat 124 en su eje posterior, realizando por supuesto unos arreglos para que funcionen correctamente.

Referencias Frenos y embrague actuales de Stopiberica.es

MAS ABAJO TENÉIS MAS DATOS SOBRE LOS FRENOS PULSA AQUI

 

NEUMATICOS

Aquí encontraras una breve explicación acerca de a partir de qué elementos resulta la completa designación de un neumático y qué significan cada uno de los números y letras. Además aprenderás de forma sencilla, cómo encontrar el neumático permitido para tu vehículo.

- Qué significa en realidad 145/80 R 13 de SR:
- 145 - Ancho del neumático en mm
- 80 - Relación de la altura a la anchura hacia dentro. Es posible que no ponga nada en ese caso es siempre 80
- R - Código para el diseño del neumático (R = neumático de capa radial)
-13 - Diámetro de la llanta en pulgadas
- SR - Símbolo para la velocidad máxima permitida en este caso 180Kmh la designación actual SR seria de entre S:170  Kmh hasta R:180 Kmh maximo
- Otras designaciones:
- rf - reforzado (designación para neumáticos especialmente reforzados)
- En preparación:
- N1 y N0 Especificaciones para Porsche

¿Cómo encontrar el tamaño correcto del neumático para tu vehículo?
Los tamaños permitidos del neumático se encuentran indicados en la documentación de su vehículo en los puntos 20 al 23.

CONSULTAR TABLA DE EQUIVALENCIAS AQUI

También bajo el punto 33 pueden estar reseñados otros tamaños de neumáticos así como imposiciones especiales (restricción a ciertos fabricantes de neumáticos y tipo de perfiles).

¿Qué tienes  que tener en cuenta a la hora de cambiar a neumáticos anchos?

En caso de que se encuentre reseñado en la documentación de su vehículo el tamaño de los neumáticos, podrá conducir con ellos sin la menor preocupación. Si no es éste el caso, sólo pueden ser usados tamaños de neumáticos y llantas tras la expedición de un certificado de no objeción por parte del fabricante del vehículo o en su lugar una revisión técnica efectuada por un perito oficial y la expedición por éste de un permiso para su instalación. En cualquier caso se han de tener en cuenta, a la hora de elegir los neumáticos, la velocidad máxima del vehículo condicionada por el tipo de construcción, así como las imposiciones e indicaciones del ITV y de los fabricantes del vehículo, ruedas y neumáticos.

Notas útiles para un empleo correcto de los neumáticos.

Controla la presión del neumático por lo menos cada dos semanas a temperatura ambiente (también la del neumático de repuesto). Al corregir la presión no deje salir el aire del neumático al ser posible mientras éstos estén calientes. Para reducir al mínimo la tendencia a la deformación, se recomienda aumentar la presión a 3,2 –3,5 bares en caso de que el vehículo no vaya a ser utilizado durante un largo tiempo.

También el desgaste del neumático ha de ser controlado regularmente; en este sentido hay que tener en cuenta que a medida que se gasta el perfil su rendimiento disminuye notablemente sobre pistas mojadas. Por tanto los neumáticos deben ser cambiados, si la profundidad del perfil alcanza aproximadamente los 3 milímetros.

Se deben ir intercambiando las ruedas de ambos ejes cada 10.000 – 15.000 km. para optimizar el desgaste y así poder sustituir al mismo tiempo los 4 neumáticos.

Si se cambian solamente dos neumáticos, estos deben ser montados por motivos de seguridad en el eje trasero. La salida rápida de aire (perforación o reventón) de uno de los neumáticos del eje trasero conlleva una repentina inestabilidad del vehículo haciendo perder al conductor el control sobre el mismo. Lo mismo ocurre al perder repentinamente la fijación al suelo en una curva, por ejemplo sobre una pista mojada, esto podría hacer derrapar el vehículo haciendo difícilmente recuperar el control (se giraría sobre sí mismo).

Tras impactos o perforaciones el neumático debería ser controlador por especialistas - también en su interior. En ningún caso se debe dejar de darle importancia aunque el daño en el neumático sea pequeño.

Es peligroso insertar una cámara en un neumático sin cámara ya que al inflarlo puede formar burbujas de aire entre la cámara y el interior del neumático. En este caso se podría producir un continuo roce de la cámara contra la pared interna del neumático (impermeable al aire), lo que podría llevar a una rápida destrucción tanto de la cámara como del neumático. Esto tendría aun mayor consecuencias si pasara en uno de los neumáticos montados en el eje trasero.

Una larga exposición del vehículo a manchas de aceite, diesel o disolventes en general causa daños en los neumáticos, ya que estas substancias atacan la aleación de la que están fabricados. Lo mismo ocurre con substancias que contienen hidratos de carbonos tales como las que se utilizan para limpiar los flancos de los neumáticos.

También el uso excesivo de cadenas para la nieve en carreteras no nevadas puede dañar los neumáticos la largo plazo.

Es posible que aparezca a veces un tono “azulado” en el flanco del neumático. Éste es puramente un problema estético, y no afecta para nada al  rendimiento del mismo.


Refrigeración

Rallye 2


Bomba de agua para motor 349

Bomba de agua motor 315

Detalle de la bomba del motor 315, solo se ven 2 agujeros para los tornillos   (en realidad también lleva 3 pero desde aquí no se ve)  el 349 lleva 3 pero bien visibles.

Reparación de la Bomba  de agua

En algunas ocasiones nosotros mismos podremos reparar nuestra bomba de agua:

Las estopadas o sellos mecánicos y el eje de la bomba junto con los cojinetes son los elementos a sustituir para hacer una reparación completa.

De manera provisional disponemos de kits de reparacion consulta en la seccion "Mercasimca"

También del tipo "europeo" con tope, es muy importante que tengan tope.

Tipos de sellos mecanicos

 

Puede que el eje este bien pero las estopadas y los cojinetes son de obligado cambio en toda reparación.

Desmontaremos la hélice con sumo cuidado para que no se rompa, se aconseja utilizar un aceite tipo 3 en 1 dieléctrico especial para electricidad son los mejores y penetran mas, desmontaremos también la polea con el extractor adecuado.

Una vez hecho esto se sacan los 4 tornillos y se abre la bomba, este paso no es fácil por que las tapas suelen estar fuertemente pegadas, cuidado con hacer palanca romperéis la bomba rápidamente, utilizar siempre el aceite y la paciencia.

Ya tenemos todo abierto y limpio procederemos sacar las estopadas viejas y  a montar el material nuevo, mucho cuidado con las estopadas nuevas son muy delicadas.

Nos fabricaremos nosotros mismos la junta por que es bastante difícil encontrarla.

Bueno ya tenemos todo ponemos un poco de Hermetic a cada tapa,la junta en el medio  introducimos el eje, (previamente hemos puesto en su sitio el cojinete grande e introducido el casquillo separador) cerramos y apretamos la tornillería, en este punto hay que montar la jaula del ventilador que va sujeta con los mismos tornillos que la cierran, montamos el otro casquillo y metemos el cojinete pequeño, este ultimo lo sujeta el mismo ventilador (no lleva ningún freno)

Desmontaje de la bomba de agua en imagenes:

 IMAGE0337 IMAGE0338 IMAGE0339 IMAGE0340 IMAGE0341 IMAGE0342 IMAGE0343 IMAGE0344 IMAGE0345 IMAGE0346 IMAGE0347 IMAGE0348 IMAGE0349 IMAGE0350 IMAGE0351 IMAGE0352 IMAGE0353 IMAGE0354 IMAGE0355 IMAGE0356 IMAGE0357 IMAGE0358 IMAGE0359

 

 


Despiece de Bomba de gasolina

Otro magnifico video e nuestro amigo Juan Seren

 

No compreis stocks viejos de bombas estas no llegan ni a 30€

Bombas de gasolina actual Valeo:247058

PIERBURG - 7.21758.50.0

Click en imagen

 


Plan de mantenimiento oficial


Algunas reparaciones

Montaje del motor con pluma

Soportes motor del motor 315

Cambio de retenes a los pistones de los frenos delanteros:


ATENCIÓN IMPORTANTE LEER ESTO REFERENTE A TODO LO CONCERNIENTE A LOS FRENOS:

Recordad que cuando manipulais los frenos del coche estáis manejando elementos que afectan directamente a la seguridad vital de las personas a si que si no lo habéis hecho nunca o no estáis familiarizados con temas mecánicos acudid directamente a profesionales, la información aquí contenida puede no ser exacta o estar incompleta puesto que hay pasos que no se explican al pie de la letra por entenderse que la persona que va a hacer estas reparaciones tiene nociones CLARAS sobre mecánica, estudios sobre Automoción y no necesita explicaciones de algunos pasos que son evidentes para personas versadas en estos temas. Esta web no se hace responsable de la manipulación por aficionados de estos sistemas.

También comentaros que los elementos que vamos a manipular son corrosivos irritantes y cancerigenos léase  liquido de frenos y/o el Amianto contenido en las pastillas y zapatas de freno.

comprar kit para una pinza de freno,pulsar foto:

Pinza reparada

Cerrada y lista para montar

Albun completo:

 IMAGE0395 IMAGE0396 IMAGE0397 IMAGE0398 IMAGE0399 IMAGE0400 IMAGE0401 IMAGE0402 IMAGE0403 IMAGE0404 IMAGE0405 IMAGE0406 IMAGE0407 IMAGE0408 IMAGE0409 IMAGE0410 IMAGE0411 IMAGE0412 IMAGE0413 IMAGE0414 IMAGE0415 IMAGE0416 IMAGE0417 IMAGE0418 IMAGE0419 IMAGE0420 IMAGE0421

Sustitución de bombines freno traseros

En esta ocasión voy a proceder al cambio de los bombines de freno traseros, los años no pasan en balde para estos delicados elementos de seguridad.

ATENCION SOLO PROFESIONALES:

Vamos a necesitar un recipiente y un tubo de goma para purgar o recoger el liquido que pueda derramarse. Yo lo tengo montado como muestra la fotografía porque es bastante hermético. Incluso con el recipiente volcado, no se derrama por que el tubo de goma entra a presión por el agujero de la tapa .

Los bombines nuevos todavía se encuentran sin problemas en casas dedicadas a frenos.  Los recambistas habituales te los pueden buscar  (siempre que lleves la muestra)

Referencias actuales bombines traseros en oscaro y recambiosviaweb

Teneis un amplio catalogo de bombines para simca en la pagina de enlaces de la empresa LPR aunque no todos valen, hay un modelo de peugeot que varia la rosca, se puede montar pero la rosca de los racors de nuestro simca hay que cambiarla (por seguridad) ademas el cono del racord tambien es invertido (ojo con esto)

Recordad los trasero son de 19mm los delanteros son de 22mm

Después de levantar el coche sacaremos la rueda y los dos tornillos que sujetan el tambor de freno. Debería salir bien pero si no lo hace se puede golpear con martillo de Nylon el borde del tambor de dentro hacia afuera girándolo a la vez o dándole golpes en varios sitios a la vez mientras se estira de el con la mano para que salga, no hace falta deciros pero lo haré, no utilicéis martillos de hierro deformareis el tambor tampoco lo golpeéis con demasiada violencia. Por supuesto este trabajo hay que hacerlo con los materiales en frió.

Limpiar bien el interior de los tambores Ojo estos sistemas de frenado (las zapatas) llevaban AMIANTO producto altamente cancerigeno ósea que el polvillo que tienen es muy peligroso, usar mascarilla y no soplarlos con aire.

Una vez sacado revisar el estado de las zapatas de freno si el desgaste llega ya o falta menos de 1 mm a los remaches desmontarlas y llevarlas a forrar. Tambien si los tambores están muy rallados llevarlos a una rectificadora a que los repasen, si no están muy rayados, con lija fina una pasada uniforme bastara.

Sacar el muelle superior( solo de un lado) para poder liberar mejor el Bombin.

ATENCIÓN SOLO PROFESIONALES:

Sacar el purgador pero antes aseguraos de llenar bien el deposito de liquido de frenos que esta bajo el capó y vigilarlo para que nunca se vacié. Esto evitará que entre aire en  el circuito.

Sacar el Bombin viejo. Limpiar bien toda la zona con Disolvente

Un pequeño truco que muchos ya conocereis es destapar los bombines por un lado y poner una cantidad de liquido de frenos dentro, para sacarles el aire esto facilitara y acortara el posterior purgado del circuito: Llenar de liquido montar el pistón otra vez y con la boca y sangrador a la vista y hacia arriba, presionar los pistones sin llegar a tope, en esta operación el liquido sobrante y el aire  van saliendo por la rosca donde va el racor, montar el guarda polvo (Importante: No cerréis los pistones a tope dejarlos un poco abiertos) Aflojar un poco con una llave el purgador pero cerrarlo con la mano, para que no entre aire.

Montar el Bombin roscando primero el racor de le circuito de freno

Cuando el racor este ligeramente roscado montar los dos tornillos que sujetan el Bombin apretarlos bien y terminar de apretar el racor a tope, después hay que conectar el tubo para sangrar, colocar las zapatas en su sitio con su muelle, en este momento aflojar el sangrador un poco para que salga el liquido sobrante y cerrarlo inmediatamente con una llave adecuada pero sin apretar demasiado.

Proceder del mismo modo en el otro freno y sangrar el circuito, si lo habéis hecho con el truco que os e explicado no necesitareis sangrarlo mucho podéis aprovechar para cambiar el liquido de frenos de todo el circuito

ATENCIÓN SOLO PROFESIONALES:

Kit necesario para reparar los frenos del Simca 1000 buscad en recambistas en enlaces, sobre todo franceses (son mas baratos)

TEASSA se dedica a bombas de freno y bombines para todo tipo de coches incluidos los Simca, os dejo las referencias para que lo busquéis por que el enlace a veces no funciona:

Figuras, Referencias, Precios, Catalogo general

 

Material frenos simca 1000 Aqui


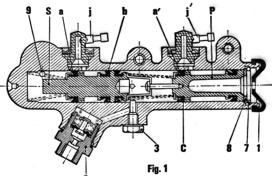
Esto es una bomba de freno de doble circuito la montaban los Rallye 3 y los últimos Simcas fabricados.

Este recambio lo podéis encontrar clikando la foto justo debajo: Por unos 215€

 

Otra igual pero de otra marca.

Esquema A (lateral) de esta bomba de freno en tandem

 

Detalle entrada de liquido de frenos:

Bomba doble circuito

 

 

Bomba doble circuito esquema de posición de los tubos

 

Bomba doble circuito recuperada

 

 

Bomba circuito simple

 


ATENCIÓN SOLO PROFESIONALES:

Cambio de cojinetes delanteros

AQUÍ OS DIGO LO MISMO QUE CON LOS FRENOS

Si no lo tenéis claro lo mandáis  hacer a profesionales.

Desmontamos la pinza de freno (no es necesario abrir el circuito de freno) dejar la pinza colgada pero sujeta sin dar tirones ni retorcer ningún tubo.

Sacamos el tapón guarda polvo del eje de la mangueta con cuidado sin abollar demasiado.

Quitamos el freno del la tuerca y sacamos la tuerca junto con el disco de freno.

Limpiamos la mangueta para ver su estado y el de las rotulas.

Nos vamos con los cojinetes y retenes viejos a una casa de cojinetes y pedimos uno iguales, el reten también, uno por eje.

Kit cojinetes delanteros

Este otro kit es para la parte trasera de los Simca 1200, Horizon, Talbot 150 y Solara pero vale para la parte delantera de nuestro Simca 1000 (todos los modelos) lo único que no sirve es el reten lo demás todo incluida la tuerca

Donde encontrarlo:

 

Ojo el montaje es a la inversa pero la tuerca grande de la mangueta se a de apretar al máximo y después aflojar un poco mirando que la rueda gire suave sin mordeduras y sin juego de ningún tipo. Sellar tuerca con seguro

Tenéis que meter una buena cantidad de grasa pero no os paséis porque se podrían salir el tapón o reventar el retenen en el momento que el conjunto se ponga a temperatura de trabajo.

Los retenes son todos iguales pero delante lleva uno y detrás dos (por cada eje)


Verificación de las manguetas y rotulas:

ATENCIÓN SOLO PROFESIONALES:

Es el momento de de revisar todo lo que se pueda, por si hay que cambiar alguna cosa. Puede haber grietas/roturas que no se pueden ver cuando todo esta montado. No os olvidéis de revisar los latiguillos de freno, fugas  etc.


 

Cambio de cojinetes traseros

Hay que desmontar palier, sacar la tuerca grande de la foto previa inmovilización del tambor con el freno de mano y  palancas, después sacar el tambor. Aprovechar para revisar posibles fugas de liquido de frenos, o algo anormal en los mismos.

Sacamos el buje que va sujeto con cuatro tornillos.

Los retenes guarda-polvo no sirven podemos maltratarlos para sacarlos.

ATENCIÓN SOLO PROFESIONALES:

Se sacan los cojinetes con la mano. Para sacar las pistas utilizaremos una prensa pero si no la tenemos lo haremos con un pasamanos de acero de la medida y a golpe de martillo, con mucho cuidado, procurando no tocar los apoyos de las pistas.

Limpiamos todo muy bien y nos vamos a la casa de cojinetes industriales mas cercana, les pedimos unos iguales junto con los retenes.

Kit cojinetes traseros

Ojo el montaje es a la inversa pero acordaros que la tuerca grande hay que apretarla al máximo (sin pasarse ) y después hay que aflojarla hasta ver que la rueda o tambor giran con facilidad y sin mordeduras a un máximo de 17 m/Kg. De par. (Sellar tuerca con seguro) Para hacerlo mas profesional podemos fabricarnos un útil contrapesado que consiste en una varilla que que atornillada al cubo de la rueda con dos tornillos tenga desde el eje hasta la punta 500mm en esta punta colgaremos una pesa de 120 gr  el cubo no debe girar si el par esta correcto , pero si que lo hará con una pesa de 200 gr

Tenéis que meter una buena cantidad de grasa pero no os paséis porque se podrían salir o reventar los retenes en el momento que el conjunto se ponga a temperatura de trabajo.

Los retenes son todos iguales pero delante lleva uno y detrás dos (por cada eje)


Distribución

Alineado de los puntos para calar la distribución

         

Aspecto de la distribución con todo desmontado

Aspecto del piñón y conjunto ya limpio

Yo monte la cadena sobre los piñones encima del banco haciendo coincidir los puntos es mas cómodo y evitas mover nada en el motor la distribución de un Simca 1200 o Peugeot puede servir yo monte una de 1200 lo único que no coincide es la junta de la tapa

 


ATENCIÓN SOLO PROFESIONALES:

Repasando la dirección:

Esta es una dirección del tipo tornillo sin fin o Gemmer pero la que nos ocupa en su repaso es la de cremallera montada en los simcas a partir del año 67

Desmultiplicación: 13,1 a 1

Diámetro de giro: 9 m.

Desmultiplicación total en las ruedas: 15,4 a 1

Son coches muy viejos y es normal encontrarse con sistemas como la dirección en un estado mas que lamentable por eso debemos poner cuidado, por que además son mecanismos que deben estar siempre bien sobre todo por nuestra seguridad:

Los fuelles son la parte mas débil de la dirección suelen romperse muy a menudo.

No debemos desesperar los fuelles de la suspensión de un quad o una moto pueden sacarnos del apuro.

Después de desmontarla y ver que no tiene daños mecánicos ni holguras preocupantes, así como grietas o roturas, procedemos a limpiarla bien.

ATENCIÓN SOLO PROFESIONALES:

 

Si todo esta correcto pasamos a engrasarla y cambiarle los fuelles

La haremos girar para asegurarnos de que no se engancha ni tiene juegos

Limpiaremos bien el borde de la tapa y la sellamos:

 

Aquí no debe entrar agua nunca

 

 

 

FUELLE DIRECCION CLIK EN LA FOTO

 

 

comparamos los fuelles viejos y ya veis....

Solo quedara montarla en el coche y ya la tenemos. Lo mas recomendable seria llevar el coche a alinear para dejarlo perfecto.

Diámetro de giro: 9,80 m

Convergencia: 4 +- 2 mm. (depende del modelo)

 

Las Rotulas son también elementos a tener muy en cuenta

Sistema de rotulas Simca 1962

Sistema Rotulas del 63 al 68

Sistema Rotulas del 68 al 77/78

Las referencias de las imágenes anteriores las tenéis en el catalogo de Rotulas

Tambien podeis encontrar las rotulas inferiores las de carga

Rotula barra acoplamiento o de direccion

MATERIAL DIRECCION Y TREN DELANTERO

 

En una buena restauración no debe faltar nunca una revisión del sistema de dirección y suspensión


Pasando lo bien reparando los Simcas 2008

 

Sacar el motor puede ser hasta divertido

 

Una fuga de aceite por el reten del cigüeñal nos obliga a sacar el motor

 

 

Una vez reparado a montarlo se a dicho

 

Puesta en marcha y fuera

 

 

Aceites

Como identificar un buen aceite para motores:

Articulo en Zip


Las cosas se complican en: Simcalandia (navidades 2006)

Bueno aunque no viene al caso deciros que no es que no me acuerde del  simca sino que me crecen los enanos se me a roto el Toyota, he tenido que hacer una reparación a la moto, he tenido que cambiar dos ruedas al otro coche, etc, etc... El simca parado y yo mas liado que la pata de un romano, os pongo algunas fotos para que no os aburráis en este paró de actividad de la pagina (yo no puedo aburrirme aunque quisiera).

A sido una grieta en la culata, así que a cambiarla por una nueva (no se puede reparar).

Este lleva mas cables y mas tubos que el Simca ¿no os parece?

Bueno parece que ya se acaba pero e tenido que meterme dentro para alcanzar la tortillería de mas abajo.

Condiciones de uso de este sitio:

La información aquí expuesta es solo orientativa y puede estar incompleta, por eso no pretende ser un manual técnico ni profesional de ninguna forma o manera. Cualquier reparación, modificación o cambio que se haga sobre el vehiculo debe de estar hecho o supervisado siempre por profesionales titulados o talleres autorizados.

En Simca 1000.com no nos hacemos responsables de cualquier daño tanto propio como a terceros o a las cosas, producidos por causa de la aceptación como manual técnico del contenido de esta Web simca1000.com no es un manual técnico ni pretende serlo. El usuario es libre de aceptar los consejos de esta web pero es solo y exclusivamente bajo su responsabilidad, y sabiendo por esta nota y otras encontradas a lo largo de la pagina que todo debe se supervisado por profesionales autorizados


Principal | Curiosidades | Enlaces | Historia | Mecanica | Mercasimca | Noticias | Los Foreros | Preparaciones | Restauraciones | Otros coches | Tus Trucos

Este sitio se actualizó por última vez el 13 de noviembre de 2025